S.M.P.S의 회로 방식
페이지 정보

본문
| S.M.P.S의 회로 방식 |
비절전형(Non-Isolation Type)
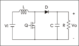
•Buck(Step-Down) 방식 주 스위치가 Q가 ON이 되면 입력으로부터 전류가 L을 통하여 출력으로 흐름과 동시에 L에 축적되고 Q가 OFF되면 L에 축적된 에너지가 환류 다이오드 D를 통하여 출력측으로 방출하게 된다. 스위칭 주기 Ts를 한 주기로 하여 이 동작이 반복되면서 입력 전력을 원하는 출력 전력으로 변화하게 된다. Buck 방식은 출력전압이 입력 전압보다 낮은 범위에서 나타나며, 이러한 이유로 “강압형 컨버터”라고도 한다. |
| |
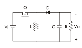
•Boost(Step-Up) 방식 스위치 Q가 도통일때 인덕터 전류에 의해서 L에 에너지가 차단되면 L에 축적된 에너지가 환류 다이오드 D를 통하여 출력측으로 방출된다. Boost 방식은 출력 전압이 향상 입력 전압보다 높은 값으로 “승압형 컨버터” 라고도 한다. |
| |
•Buck-Boost(Step-Down) 방식 Buck-boost 방식은 출력 전압이 입력 전압보다 높거나 낮게되는 승강압형의 특징과 출력의 극성이 입력과 반전되는 특징도 함께 갖고 있어 “극성역 전형 컨버터” 라고도 한다. | ![]() |
절전형(Non-Isolation Type)
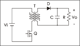
•Flyback 방식 Flyback 방식은 Buck-boost 방식과 기본 동작이 동일하다. 스위치 Q가 도통하면 트랜스의 2차 권선에는 1차와 반대 극성의 전압이 유도되므로, 다이오드 D는 역 바이어스되어 차단되고, 따라서 2차 권선에는 전류가 흐르지 않고 1차 권선으로만 전류가 흐르지 않고 1차 권선으로만 전류가 흘러 자화 인덕턴스에 의해 에너지가 축적된다. 다음 스위치가 차단되면 2차 권선에는 전상태와 반대 극성의 전압이 유도되어 다이오드를 도통 시킴으로써 트랜스의 자화 인덕턴스에 축전된 에너지를 부하에 공급한다. Fly back 방식은 50W 이하의 낮은 출력에 적용하기에 적합하며, 회로가 간단하고 경제적인 반면, 출력 커패시턴스의 리플 전류가 크다. |
| |
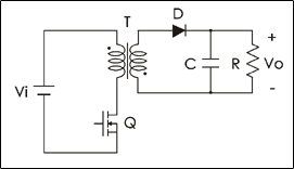
•Forward 방식 Forward 방식은 출력 용량이 500W급 정도까지의 중전력용으로 많이 응용 되고 있으며, Buck 방식과 기본 동 작이 동일하며 안정성이 뛰어난 특징을 가지고 있어서 고신뢰성이 요구되는 통신용의 전원에 폭넓게 이용되고 있다. 동작 원리는 주스위치 Q가 도통하면 D1은 도통, D2는 차단되어 입력 측으로부터의 전류는 트랜스포머를 통하여 출력 측으로 전달됨과 동시에 인덕터 L에는 에너지가 축적된다. 다음에 Q가 차단되면 D1은 차단, D2는 도통되면서 L에 축적된 에너지를 출력 측으로 공급한다. |
| |
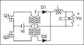
•Push-Pull 방식 Push-pull 방식은 스위치 Q1,Q2가 교대로 ON, OFF하는 방식으로 1KW 이하의 대용량에 적용 가능하며 구동 회로가 간단하게 트랜스포머의 편자 현상이 발생할 가능성이 있다. |
| |
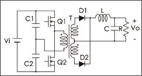
•Half-Bridge 방식 Half-bridge 방식은 500W-수KW의 대용량에 많이 응용되고 구동 회로가 복잡하다. 동작 원리는 스위치 Q1이 도통하면 입력 전류는 Q1과 트랜스포머 1차 권선을 통하여 흐름과 동시에 2차 측으로 전달되고, 다이오드 D1을 도통시켜 출력 필터 인덕터 L을 통하여 출력측 으로 흐르게 된다. 이 때 L에는 에너지가 축적되며 다음 스위치 Q1,Q2모두가 차단되면 L에 축전된 에너지는 다이오드 D1,D2를 환류패스로 하여 출력 측으로 방출되며 트랜스포머의 전압은 “0”이 된다. 스위치 Q2를 도통시켜 L을 통하여 출력 측으로 흐르게 된다. 이때 L에는 다시 에너지가 축적되며 다음 스위치Q1,Q2모두가 차단되면 L에 축적된 에너지는 D1,D2를 환류 패스로 하여 출력측으로 방출되며, 트랜스포머의 전압은 “0”이 된다. 이 과정을 한 주기로 하여 반복하면서 동작한다. |
| |
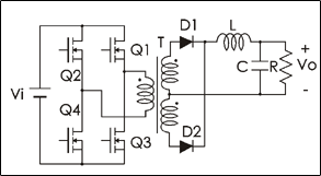
•Full-Bridge 방식 Full-bridge 방식은 Half-bridge 방식에 스위치 2개를 더 추가한 형태로 4개의 스위치를 사용하므로서 한 쌍의 스위치(Q1,Q4 또는 Q2,Q3)가 교대로 도통, 차단을 반복하면서 Half-bridge 방식과 동일하게 동작하고, 구동 회로가 매우 복잡하며 수 KW이상의 대용량에 응용된다. |
![]() |
- 이전글S.M.P.S의 기본 구성 23.05.15
- 다음글전원 용어 설명 23.05.15
댓글목록
등록된 댓글이 없습니다.








